WELCOME TO MBY
You are here: Home / Main Products / Needle Roller Bearings / Yoke Type Track Rollers With Axial Guidance / Yoke Type Track Rollers With Axial Guidance

PRODUCTS

loading

facebook sharing button
twitter sharing button
line sharing button
wechat sharing button
linkedin sharing button
pinterest sharing button
sharethis sharing button
Model: Yoke Type Track Rollers With Axial Guidance
Brand: MBY
Quantity:

Yoke Type Track Rollers With Axial Guidance

Product Description
MBY® Needle roller bearings are roller bearings with cylindrical rollers that are small in diameter but long in length (L/D≥2.5). MBY® Needle roller bearings have a high radial load carrying capacity. And since they have a low cross section, needle roller bearings are extremely suitable for bearing applications where the radial space is limited.

MBY® offers a wide range of needle roller bearings including needle roller & cage assemblies, drawn cup and solid needle roller bearings. They can also be specified as cam followers and track roller bearings by applications. The major application markets include automotive, consumer product and general industrial goods.


图片3

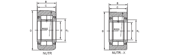
Note:Swipe left or right to view the complete table!
Shaft Diameter Bearing Designation and Approx Mass Boundary Dimensions Basic Load Rating  Limiting Speed
With IR Mass d D B C d1 Cr Dynamic Cor Static Grease 
mm g mm N rpm
35 NUTR15 99 15 35 19 18 20 20500 24500 6500
42 NUTR15 158 15 42 19 18 20 20500 24500 6500
40 NUTR17 147 17 40 21 20 22 21800 28500 5500
47 NUTR17 220 17 47 21 20 22 21800 28500 5500
47 NUTR20 245 20 47 25 24 27 36900 48900 4200
35 NUTR202X 0 15 35 19 18 19.5 20500 24500 6500
52 NUTR20 321 20 52 25 24 27 36900 48900 4200
52 NUTR25 281 25 52 25 24 31 40800 58500 3400
62 NUTR25 450 25 62 25 24 31 40800 58500 3400
62 NUTR30 465 30 62 29 28 38 56800 77500 2600
72 NUTR30 697 30 72 29 28 38 56800 77500 2600
80 NUTR3080 0 30 80 31 30 44 56800 77500 2500
72 NUTR35 630 35 72 29 28 44 63000 91000 2100
80 NUTR35 836 35 80 29 28 44 63000 91000 2100
80 NUTR40 816 40 80 32 30 51 87900 108000 1600
90 NUTR40 1129 40 90 32 30 51 87900 108000 1600
85 NUTR45 883 45 85 32 30 55 93600 119000 1400
100 NUTR45 1396 45 100 32 30 55 93600 119000 1400
90 NUTR50 950 50 90 32 30 60 98900 140000 1300
110 NUTR50 1690 50 110 32 30 60 98900 140000 1300