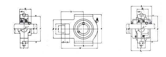
| Unit No. | d | Dimensions(in) or (mm) | Mass(kg) | |||||||||||||||
| (in) | (mm) | O | G | P | Q | S | B | K | E | A | W | J | L | H | Bi | N | ||
| UCT305 | | 25 | 16 | 12 | 62 | 36 | 26 | 65 | 12 | 80 | 89 | 122 | 36 | 26 | 76 | 38 | 15 | |
| UCT305-14 | 5/8 | | 5/8 | 15/32 | 2-7/16 | 1-13/32 | 1-1/32 | 2-9/16 | 15/32 | 3-5/32 | 3-1/2 | 4-13/16 | 1-3/32 | 1-1/32 | 3 | 1.4961 | 0.5906 | 1.4 |
| UCT306 | | 30 | 18 | 14 | 70 | 41 | 28 | 74 | 16 | 90 | 100 | 137 | 41 | 28 | 85 | 43 | 17 | |
| UCT306-18 | 1-1/8 | | 23/32 | 9/16 | 2-3/4 | 1-5/8 | 1-7/64 | 2-29/32 | 5/8 | 3-35/64 | 3-15/16 | 5-13/32 | 1-5/8 | 1-3/32 | 3-11/32 | 1.6929 | 0.0693 | 1.85 |
| UCT307 | | 35 | 20 | 15 | 75 | 45 | 30 | 80 | 16 | 100 | 111 | 150 | 45 | 32 | 94 | 48 | 19 | |
| UCT307-20 | 1-1/4 | | 25/32 | 19/32 | 2-15/16 | 1-25/32 | 1-3/16 | 3-5/32 | 5/8 | 3-15/16 | 4-3/8 | 5-29/32 | 1-25/32 | 1-1/4 | 3-11/16 | 1.8897 | 0.748 | 2.45 |
| UCT308 | | 40 | 22 | 17 | 83 | 50 | 32 | 89 | 18 | 112 | 124 | 162 | 50 | 34 | 100 | 52 | 19 | |
| UCT308-24 | 1-1/2 | | 7/8 | 21/32 | 3-9/32 | 1-31/32 | 1-17/64 | 3-1/2 | 45/64 | 4-13/32 | 4-7/8 | 6-3/8 | 1-3/32 | 1-1/32 | 3-15/16 | 2.0472 | 0.748 | 3.1 0 |
| UCT309 | | 45 | 24 | 18 | 90 | 55 | 34 | 97 | 18 | 125 | 138 | 178 | 55 | 38 | 110 | 57 | 22 | |
| UCT309-26 | 1-5/8 | | 15/16 | 23/32 | 3-17/32 | 2-5/32 | 1-11/32 | 3-13/16 | 45/64 | 4-59/64 | 5-7/16 | 7 | 2-5/32 | 1-1/2 | 4-11/32 | 2.2441 | 0.8661 | 4.1 0 |
| UCT310 | | 50 | 27 | 20 | 98 | 61 | 37 | 106 | 20 | 140 | 151 | 191 | 61 | 40 | 117 | 61 | 22 | |
| UCT310-30 | 1-7/8 | | 1-1/16 | 25/32 | 3-27/32 | 2-13/32 | 1-29/64 | 4-3/16 | 25/32 | 5-33/64 | 5-15/16 | 7-17/32 | 2-13/32 | 1-9/16 | 4-19/32 | 2.4015 | 0.8661 | 5.25 0 |
| UCT311 | | 55 | 29 | 21 | 105 | 66 | 39 | 115 | 22 | 150 | 163 | 207 | 66 | 44 | 127 | 66 | 25 | |
| UCT311-32 | 2 | | 1-5/32 | 13/16 | 4-1/8 | 2-19/32 | 1-17/32 | 4-17/32 | 55/64 | 2-29/32 | 6-13/32 | 8-5/32 | 2-19/32 | 1-2/32 | 5 | 2.5934 | 0.9842 | 6.41 |
| UCT312 | | 60 | 31 | 23 | 113 | 71 | 41 | 123 | 22 | 160 | 178 | 220 | 71 | 46 | 135 | 71 | 26 | |
| UCT312-36 | 2-1/4 | | 1-7/32 | 29/32 | 4-7/16 | 2-25/32 | 1-39/64 | 4-27/32 | 55/64 | 6-19/64 | 7 | 8-21/32 | 2-25/32 | 1-13/16 | 5-5/16 | 2.7953 | 1.023 | 7.6 0 |
| UCT313 | | 65 | 32 | 25 | 116 | 70 | 43 | 134 | 26 | 170 | 190 | 238 | 80 | 50 | 146 | 75 | 30 | |
| UCT313-40 | 2-1/2 | | 1-1/4 | 1 | 4-9/16 | 2-3/4 | 1-11/16 | 5-9/16 | 1-1/32 | 6-11/16 | 7-15/32 | 9-3/8 | 3-5/32 | 1-31/32 | 5-3/4 | 2.9528 | 1.1811 | 9.220 |
| UCT314 | | 70 | 36 | 25 | 130 | 85 | 46 | 140 | 26 | 180 | 202 | 252 | 90 | 52 | 155 | 78 | 33 | |
| UCT314-44 | 2-3/4 | | 1-13/32 | 1 | 5-1/8 | 3-11/32 | 1-13/16 | 5-1/2 | 1-1/32 | 7-3/32 | 7-15/16 | 9-29/32 | 3-17/32 | 2-1/16 | 6-3/32 | 3.0709 | 1.2992 | 11.40 |
| UCT315 | | 75 | 36 | 25 | 132 | 85 | 46 | 150 | 26 | 192 | 216 | 262 | 90 | 55 | 160 | 82 | 32 | |
| UCT315-48 | 3-1/8 | | 1-13/32 | 1 | 5-3/16 | 3-11/32 | 1-13/16 | 5-29/32 | 1-1/32 | 7-9/16 | 8-1/2 | 10-5/16 | 3-17/32 | 2-5/32 | 6-5/16 | 3.2283 | 1.2598 | 13 |
| UCT316 | | 80 | 42 | 28 | 150 | 98 | 53 | 160 | 30 | 204 | 230 | 282 | 102 | 60 | 174 | 86 | 34 | |
| UCT316-50 | 3 | | 1-21/32 | 1-3/32 | 5-29/32 | 3-27/32 | 2-3/32 | 6-5/16 | 1-3/16 | 8-1/32 | 9-1/16 | 11-3/32 | 4-1/32 | 2-3/8 | 6-27/32 | 3.3858 | 1.3386 | 15.16 |
| UCT317 | | 85 | 42 | 30 | 152 | 98 | 53 | 170 | 32 | 214 | 240 | 298 | 102 | 64 | 183 | 96 | 40 | |
| UCT317-52 | 3-1/4 | | 1-21/32 | 1-3/16 | 5-31/32 | 3-27/32 | 2-3/32 | 6-11/16 | 1-17/64 | 8-27/64 | 9-7/16 | 11-23/32 | 4-11/32 | 2-17/32 | 7-7/32 | 3.7795 | 1.5748 | 19.34 |
| UCT318 | | 90 | 46 | 30 | 160 | 106 | 57 | 175 | 32 | 228 | 255 | 312 | 110 | 66 | 192 | 96 | 40 | |
| UCT318-56 | 3-1/2 | | 1-13/16 | 1-3/16 | 6-5/16 | 4-3/16 | 2-1/4 | 6-7/8 | 1-17/64 | 8-31/32 | 10-1/32 | 12-9/32 | 4-11/32 | 2-19/32 | 7-9/16 | 3.7796 | 1.5748 | 21.250 |
| UCT319 | | 95 | 46 | 31 | 165 | 106 | 57 | 180 | 35 | 240 | 270 | 322 | 110 | 72 | 197 | 103 | 41 | |
| UCT319-60 | 3-3/4 | | 1-13/16 | 1-7/32 | 6-1/2 | 4-3/16 | 2-1/4 | 7-3/32 | 1-3/8 | 9-29/64 | 10-5/8 | 12-11/16 | 4-11/32 | 2-27/32 | 7-3/4 | 4.0551 | 1.6142 | 24.380 |
| UCT320 | | 100 | 48 | 32 | 175 | 115 | 59 | 20 | 35 | 260 | 290 | 345 | 120 | 75 | 210 | 108 | 42 | |
| UCT320-64 | 4 | | 1-7/8 | 1-1/4 | 6-7/8 | 4-17/32 | 2-21/64 | 1-7/8 | 1-3/8 | 10-15/64 | 11-13/32 | 13-19/32 | 4-23/30 | 2-15/16 | 8-9/32 | 4.2519 | 1.6535 | 30.8 0 |