WELCOME TO MBY

PRODUCTS

loading

facebook sharing button
twitter sharing button
line sharing button
wechat sharing button
linkedin sharing button
pinterest sharing button
sharethis sharing button
Model: SER2 Series
Brand: MBY
Quantity:

SER2 Series

Product Description
MBY® Pillow blocks, the most commonly used type of mounted units, are housings which have a bearing fitted into them.
They are designed to provide shaft support where the mounting surface is parallel to the shaft axis.
Typically manufactured from cast iron or cast steel, the pillow block bearing housing has provisions to allow the housing to be bolted down snugly.

MBY® Pillow blocks are supplied in a variety of configurations, and are usually mounted in cleaner environments and generally are meant for lesser loads of general industry.
MBY® Pillow blocks are widely used in agriculture machine, conveyor system, construction machines, etc.

The insert bearings are the deep groove ball bearings with wide inner rings, it insert in housing  work as an unit bearings.
The housing are mainly casting or pressed steel.  The bearing unit are compact in design with perfect sealing devices .
They can align with easy during operation and can be conveniently mounted or dismounted.


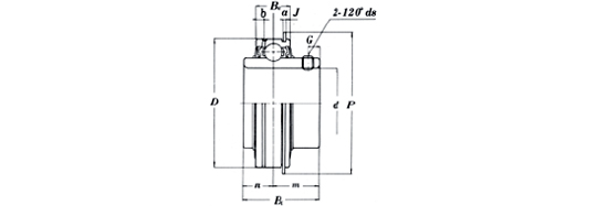
图片3
Note:Swipe left or right to view the complete table!
Bearing No. Bore Dia of Bearing Dimensions (inch)(mm) Basic  Basic  Mass 
Dynamic Static  (kg)
Load  Load 
d D Bi Be n m E a h R J P G ds Rating  Rating 
(in) (mm) lbf.(N) lbf.(N)
SER204-12 3/4 20 1.8504 1.2205 0.6259 0.4527 0.7677 0.4941 0.0421 0.1575 0.1941 0.0937 2.0669 0.1969 1/4-28UNF 2830 1650 0.46
SER205-14 7/8 25 2.0472 1.374 0.7519 0.5157 0.8582 0.6122 0.0421 0.1969 0.2374 0.0937 2.2717 0.2165 1/4-28UNF 3100 1740 0.6
SER206-18 1-1/8 300 0 2.4409 1.5 0.874 0.626 0.874 0.676 0.065 0.2165 0.2421 0.1252 2.6575 0.2165 1/4-28UNF 4300 2500 0.86
SER207-20 1-1/4 350 2.8346 1.689 0.937 0.689 1 0.7547 0.065 0.2165 0.2815 0.1252 3.0906 0.2559 5/16-24UNF 5650 3400 1.39
SER208-24 1-1/2 40 3.1496 1.937 1.0944 0.748 1.1889 0.9122 0.065 0.2362 0.3602 0.1252 3.4016 0.315 5/16-24UNF 6400 4000 1.79
SER209-26 1-5/8 45 3.3465 1.937 1.0944 0.748 1.189 0.9122 0.065 0.2362 0.3602 0.1252 3.5984 0.315 5/16-24UNF 7200 4510 1.98
SER210-30 1-7/8 50 3.5433 2.0315 1.1259 0.748 1.2835 0.8823 0.0949 0.2953 0.3303 0.1252 3.7913 0.3543 3/8-24UNF 7700 5120 2.16
SER211-32 2 55 3.937 2.189 1.189 0.874 1.315 0 0.0949 0.2953 0 0.1252 4.1929 0.3543 3/8-24 82000 5710 0
SER212-36 2-1/4 60 4.3307 3.563 1.252 1 1.563 0 0.0949 0.2953 0 0.1252 4.5906 0.4134 3/8-24 88500 6330 0