WELCOME TO MBY

PRODUCTS

loading

facebook sharing button
twitter sharing button
line sharing button
wechat sharing button
linkedin sharing button
pinterest sharing button
sharethis sharing button
Model: UC3 Series
Brand: MBY
Quantity:

UC3 Series

Product Description
MBY® Pillow blocks, the most commonly used type of mounted units, are housings which have a bearing fitted into them.They are designed to provide shaft support where the mounting surface is parallel to the shaft axis.Typically manufactured from cast iron or cast steel, the pillow block bearing housing has provisions to allow the housing to be bolted down snugly.

MBY® Pillow blocks are supplied in a variety of configurations, and are usually mounted in cleaner environments and generally are meant for lesser loads of general industry.MBY® Pillow blocks are widely used in agriculture machine, conveyor system, construction machines, etc.
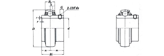
The insert bearings are the deep groove ball bearings with wide inner rings, it insert in housing  work as an unit bearings.

The housing are mainly casting or pressed steel.  The bearing unit are compact in design with perfect sealing devices .
They can align with easy during operation and can be conveniently mounted or dismounted.


74
 
Note:Swipe left or right to view the complete table!
Bearing No. Bore Dia d Dimensions(mm) Basic  Basic  Mass 
Dynamic  Static  (kg)
Load  Load 
Rating  Rating 
(in) (mm) D Bi Be r n m G ds T (N) (N)
UC305-14 7/8 25 2.4409 62 1.4961 38 0.8125 21 0.0787 2 0.5906 15 0.9055 23 0.2362 6 1/4-28 M6 0.240 6.1 17600 1160 0.39 0.37 0.35 0.35
UC306-18 1-1/8 30 2.8346 1.6929 0.9055 0.0789 0.6693 1.0236 0.2362 2001/4/28 0.264 211900 144500 0.6
UC307-20 1-1/4 35 3.1496 1.8897 0.9842 0.098 0.748 1.1417 0.315 5/16-24 0.29 2620 1830 0.81
UC308-24 1-1/2 40 3.5433 2.0472 1.063 0.098 0.748 1.2292 0.3937 2003/8/24 0.323 3200 2280 1.07
UC309-26 1-1/2 45 3.937 2.2441 1.1811 0.098 0.8661 1.378 0.3937 2003/8/24 0.354 4150 3060 1.39
UC310-30 1-7/8 50 4.3307 2.4015 1.2598 0.118 0.8661 1.5354 0.4724 7/16-20 0.394 4850 3640 1.75
UC311-32 2 55 4.7244 2.5984 1.3386 0.118 0.9842 1.6142 0.4724 7/16-20 0.421 5620 4280 2.3
UC312-36 2-1/4 60 5.1181 2.7953 1.4173 0.138 1.0236 1.7717 0.4724 7/16-20 0.433 6420 4960 2.8
UC313-40 2-1/2 65 5.511814 2.952875 1.496138 0.1383.5 1.18113 1.771745 0.472412 7/16-20M12 0.48012.2 73700 57800 3.463.32
UC314-44 2-3/4 70 5.905515 3.070978 1.57484 0.1383.5 1.299233 1.771745 0.472412 7/16-20M12 0.51213 81700 64800 3.903.90
UC315-48 3 75 6.299216 3.228382 1.653542 0.1383.5 1.259832 1.96855 0.551214 1/2-20M14 0.54313.8 89000 73100 4.334.18
UC316-50 3-1/8 80 6.692917 3.385886 1.732344 0.1383.5 0.338634 2.047252 0.551214 1/2-20M14 0.57114.5 96500 83300 5.25
UC317-52 3-1/4 85 7.086618 3.779596 1.811046 0.1574 1.57484 2.204756 0.629916 5/8-18M16 0.59115 104100 91300 7.006.70
UC318-56 3-1/2 90 7.480319 3.779596 1.889748 0.1574 1.57484 2.204756 0.629916 5/8-18M16 0.62616.7 113000 103000 7.657.60
UC319-60 3-3/4 95 7.87402 4.0551103 1.96855 0.1574 1.614241 2.440962 0.629916 5/8-18M16 0.65716.7 123000 116000 8.758.75
UC320-64 4 100 8.4646215 4.2519108 2.126054 0.1574 1.653542 2.598466 0.708718 3/4-16M18 0.78918 143000 128000 10.0310.28