WELCOME TO MBY

PRODUCTS

loading

facebook sharing button
twitter sharing button
line sharing button
wechat sharing button
linkedin sharing button
pinterest sharing button
sharethis sharing button
Brand: MBY
Quantity:

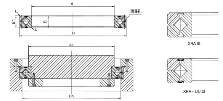
XRA Cross Roller Bearing

Product Description
XRA type, this model is the XRB type inner and outer ring thickness reduced to the limit of the compact, structure and XRB type of outer ring as the structure, the most suitable for heavy, compact design of the site, such as robots and manipulator rotation parts.

XRA Cross Roller Bearing


Type Dimension(mm) Rated Load Weight Releated type
ID OD B Radial(KN)
THK IKO
d D B C Co Kg
XRA 5008 50 66 8 5.1 7.19 0.08 RA5008 CRBS508
XRA 6008 60 76 8 5.68 8.68 0.09 RA6008 CRBS608
XRA 7008 70 86 8 5.98 9.8 0.1 RA7008 CRBS708
XRA 8008 80 96 8 6.37 11.3 0.11 RA8008 CRBS808
XRA 9008 90 106 8 6.67 12.4 0.12 RA9008 CRBS908
XRA 10008 100 116 8 7.15 13.9 0.16 RA10008 CRBS1008
XRA 11008 110 126 8 7.45 15 0.15 RA11008 CRBS1108
XRA 12008 120 136 8 7.84 16.5 0.17 RA12008 CRBS1208
XRA 13008 130 146 8 7.94 17.6 0.18 RA13008 CRBS1308
XRA 14008 140 156 8 8.33 19.1 0.19 RA14008 CRBS1408
XRA 15008 150 166 8 8.82 20.6 0.2 RA15008 CRBS1508
XRA 16013 160 186 13 23.3 44.9 0.59 RA16013 CRBS16013
XRA 17013 170 196 13 23.5 46.5 0.64 RA17013 CRBS17013
XRA 18013 180 206 13 24.5 49.8 0.68 RA18013 CRBS18013
XRA 19013 190 216 13 24.9 51.5 0.69 RA19013 CRBS19013
XRA 20013 200 226 13 25.8 54.7 0.71 RA20013 CRBS20013