WELCOME TO MBY
You are here: Home / Main Products / Needle Roller Bearings / Heavy Duty Full Complement Needle Roller Bearings / Heavy Duty Full Complement Needle Roller Bearings

PRODUCTS

loading

facebook sharing button
twitter sharing button
line sharing button
wechat sharing button
linkedin sharing button
pinterest sharing button
sharethis sharing button
Model: Heavy Duty Full Complement Needle Roller Bearings
Brand: MBY
Quantity:

Heavy Duty Full Complement Needle Roller Bearings

Product Description
MBY® Needle roller bearings are roller bearings with cylindrical rollers that are small in diameter but long in length (L/D≥2.5). MBY® Needle roller bearings have a high radial load carrying capacity. And since they have a low cross section, needle roller bearings are extremely suitable for bearing applications where the radial space is limited.

MBY® offers a wide range of needle roller bearings including needle roller & cage assemblies, drawn cup and solid needle roller bearings. They can also be specified as cam followers and track roller bearings by applications. The major application markets include automotive, consumer product and general industrial goods.


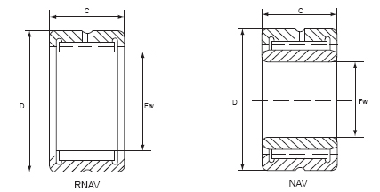
图片13heavy
Note:Swipe left or right to view the complete table!
Shaft Diameter Bearing Designation Mass Approx Boundary Dimensions Basic Load Rating Limiting Speed
Current Orignal Code Fw D C Cr Dynamic Cor Static Oil
mm g mm N rpm
without inner ring
17 74703 74703 126 17 35 24.5 8700 10800 4200
15 74802 74802 100 15 36 24.5 8900 11200 4400
15 NAV4002 4074102 76 15 32 17 10800 29800 4500
17 NAV4003 4074103 94 17 35 18 17000 37900 4300
20 NAV4004 4074104 170 20 42 22 28150 60900 3900
25 NAV4005 4074105 195 25 47 22 33800 70800 3700
30 NAV4006 4074106 299 30 55 25 49900 96500 3500
35 NAV4007 4074107 402 35 62 27 47600 122800 3100
40 NAV4008 4074108 482 40 68 28 49900 137900 2700
45 NAV4009 4074109 617 45 75 30 52500 152500 2600
50 NAV4010 4074110 669 50 80 30 55700 166000 2500
55 NAV4011 4074111 1030 55 90 35 68500 225800 2300
60 NAV4012 4074112 1087 60 95 35 75400 239000 2100
65 NAV4013 4074113 1156 65 100 35 79500 256900 1900
70 NAV4014 4074114 1666 70 110 40 98800 354900 1700
75 NAV4015 4074115 1762 75 115 45 101800 372900 1600
80 NAV4016 4074116 2450 80 125 45 102900 373500 1500
85 NAV4017 4074117 2500 85 130 45 103800 374800 1400
21.87 RNAV4002 4084102 45 21.87 32 17 10800 29800 4500
24.3 RNAV4003 4084103 62 24.3 35 18 17900 37900 4300
28.7 RNAV4004 4084104 114 28.7 42 22 28150 60900 3900
33.5 RNAV4005 4084105 129 33.5 47 22 33800 70800 3700
40.1 RNAV4006 4084106 193 40.1 55 25 49900 96500 3500
45.9 RNAV4007 4084107 259 45.9 62 27 47600 122800 3100
51.6 RNAV4008 4084108 304 51.6 68 28 49900 137900 2700
57.4 RNAV4009 4084109 390 57.4 75 30 52500 152500 2600
62.1 RNAV4010 4084110 426 62.1 80 30 55700 166000 2500
69.8 RNAV4011 4084111 645 69.8 90 35 68500 225800 2300
74.6 RNAV4012 4084112 677 74.6 95 35 75400 239000 2100
80.3 RNAV4013 4084113 692 80.3 100 35 79500 256900 1900
88 RNAV4014 4084114 950 88 110 40 98800 354900 1700
92.7 RNAV4015 4084115 1000 92.7 115 45 101800 372900 1600
100.3 RNAV4016 4084116 1400 100.3 125 45 102900 373500 1500
104.8 RNAV4017 4084117 1540 104.8 130 45 103800 374800 1400