WELCOME TO MBY
You are here: Home / Products / 32022X/DF

PRODUCTS

loading

facebook sharing button
twitter sharing button
line sharing button
wechat sharing button
linkedin sharing button
pinterest sharing button
sharethis sharing button
Model: 32022X/DF
Brand: MBY
Quantity:

32022X/DF

Product Description

QQ截图20161220102316QQ截图20161219140411
 

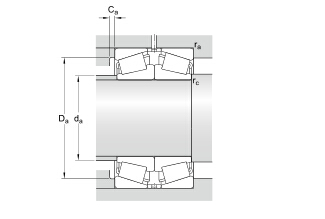
Bearing Code 32022X/DF
d 110
D 170
T 76
R3/R4min 2
R5min 0.6
Cr (KN) 402
Cor (KN) 780
Limiting Speed Grease 1600
Limiting Speed Oil 2200
da (Max) 123
Da (Min) 152
Da (Max) 160
Ca (Min) 7
ra (Max) 2
rb (Max) 0.4
e 0.43
Y1 1.6
Y2 2.3
Y0 1.6
Mass (KG) 6.3