WELCOME TO MBY
You are here: Home / Products / 31330X/DF

PRODUCTS

loading

facebook sharing button
twitter sharing button
line sharing button
wechat sharing button
linkedin sharing button
pinterest sharing button
sharethis sharing button
Model: 31330X/DF
Brand: MBY
Quantity:

31330X/DF

Product Description

QQ截图20161220095838QQ截图20161219140411
 

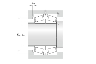
Bearing Code 31330X/DF
d 150
D 320
T 164
R3/R4min 4
R5min 1.5
Cr (KN) 1340
Cor (KN) 2040
Limiting Speed Grease 800
Limiting Speed Oil 1100
da (Max) 181
Da (Min) 251
Da (Max) 302
Ca (Min) 9
ra (Max) 3
rb (Max) 1
e 0.83
Y1 0.81
Y2 1.2
Y0 0.8
Mass (KG) 58.5